Zur Startseite Zum Inhaltsverzeichnis Zur vorhergehenden Seite Zur nächsten Seite
Die Genese der Leptinite und Paragneise zwischen Nordrach und Gengenbach im mittleren Schwarzwald
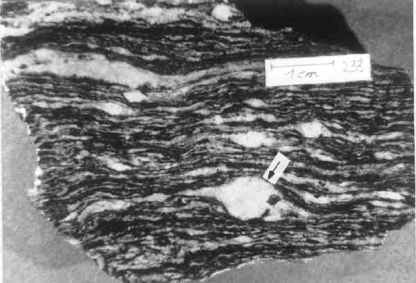
Die Paragneise sind metamorphe, psammo-pelitische Sedimente. Ihre Korngröße übersteigt selten 1 mm. Durch ihren Biotitreichtum und die daraus resultierende dunklere Farbe unterscheiden sich die Paragneise schon im Gelände meist deutlich von den Leptiniten. Cordieritreiche, pinitisierte Paragneise sind fast schwarz. Eine Foliation, kenntlich durch mm-mächtige dunkle, biotitreiche und helle, Quarz-Feldspat-reiche Lagen und Linsen dominiert das Gefüge und ist meist viel ausgeprägter als bei den Leptiniten. Die hellen und dunklen Lagen sind in den untergeordneten mylonitischen Paragneisen nur 1 mm mächtig und straff, halten über viele cm durch und umfließen bis 5 mm große Quarz-Feldspat-Klasten (Bsp.: Proben 308 = Sorben und 233 = Kohlberg, Abb. 23 u. 24). Paragneise mit diesem Gefüge haben die gleiche Verbreitung wie die Leptinite mit mylonitischer Tendenz (Abb. 5). Es überwiegen aber flaserige, nicht so straff foliierte Paragneise, bei denen die hellen Lagen im cm-Maßstab linsenförmig an- und abschwellen (Boudinage?). Die dunklen Lagen halten in der Regel länger durch (Abb. 25). Bei dem dritten, metablastischen Gefügetyp ist die Foliation nur undeutlich ausgeprägt. Hier dominieren bis 2 mm große, rundliche Feldspat-Körner das Gefüge (Abb. 26). Die metablastischen Paragneise sind sehr feldspatreich (hier 60 % Plagioklas). Das metablastische Gefüge scheint zumindest von einer passenden chemischen Zusammensetzung begünstigt zu werden. Besonders im Nordrach-Tal treten metatektische Paragneise auf. Bei ihnen setzen sich die hellen Lagen (Leukosome) besonders deutlich von den dunklen Lagen (Melanosome) ab. Es kommen sowohl stromatische Typen vor (Abb. 27) als auch solche, bei denen die Leukosome grobkörnig werden und die Foliation schlierig auflösen (Abb. 28). Die Übergänge zwischen diesen Gefügetypen sind fließend. Nur selten sind die Paragneise verfaltet (Abb. 29), recht häufig nur nahe dem Granitkontakt ca. 500 m NW des Hochkopfs.
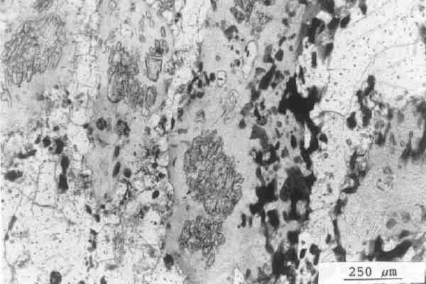
Abb. 23: Mylonitischer metapelitischer Paragneis 233 = Kohlberg. Der große leukokrate Klast (Pfeil) besteht aus einem Quarz-Plagioklas-Aggregat. In den leukokraten Lagen kommen um 20 µm große stengelige Andalusit-Aggregate vor.
Abb. 24: Mylonitisches Gefüge des Paragneises 308 = Sorben. Zwischen rekristallisierten Plattenquarzen befindet sich eine feinkörnige Quarz-Feldspat-Matrix. Gekreuzte Nicols
Die Paragneise lassen sich in zwei lithologische Hauptgruppen einteilen:
(1) Quarz-Feldspat-reiche, makroskopisch helle Paragneise. Sie führen Quarz, Plagioklas und Biotit, dazu kommt teilweise Kalifeldspat, Granat, Cordierit, Sillimanit, Graphit, Karbonat und Ilmenit. Quarz und Feldspäte machen in diesen Gesteinen zwischen 85 bis 92 Gew.-% des Modalbestands aus (bei den Leptiniten sind es mehr als 95 %).
(2) Cordieritreiche, makroskopisch dunkle Paragneise. Sie führen Quarz, Plagioklas, Biotit, Cordierit und Sillimanit, dazu kommt teilweise Kalifeldspat, Kyanit, Spinell, Ilmenit, Korund (jetzt Diaspor) und Graphit. Quarz und Feldspäte machen nur zwischen 45 und 80 % des Modalbestandes aus.
Die erste Gruppe entspricht Gesteinen mit grauwacke-, arkose- oder tuffitähnlichem Chemismus, die zweite Gruppe ähnelt Tongesteinen. Eine weitere Unterteilung ergibt sich durch die unterschiedliche metamorphe Überprägung. Das Arbeitsgebiet gliedert sich in
(1) ein im S bis SW gelegenes Areal mit ausgeprägter, reliktischer Erhaltung eines frühen, druckbetonten Metamorphose-Stadiums. Dies äußert sich in der Erhaltung von Kyanit, durch Granat-Reichtum (reich an Rutil-Einschlüssen) und Cordierit-Armut (Typus-Proben: 17 = Hochkopf, 346a = Schönberg und 352a = Bitzfeld). Dem gegenüber befindet sich
(2) ein im Norden gelegenes Gebiet mit dominierender, späterer Niedrigdruck-Hochtemperatur (LP-HT)-Überprägung. Diese äußert sich im Fehlen von Kyanit-Relikten (Kyanit ist vollständig durch Sillimanit pseudomorphosiert), der Granat-Armut (meist pseudomorphosiert) und dem Cordierit-Reichtum (Typus-Probe 242 = Pfaffenbacher Eck, 308 = Sorben).
Abb. 25: Paragneis 133 = Wippersbächle, dessen Chemismus am ehesten mit einem sauren Tuffit verglichen werden kann. Die leukokraten Lagen sind teilweise linsenfömig ausgebildet, die melanokraten Lagen halten meist länger durch
Abb. 26: Metablastischer, Al2SiO5-Mineral-freier Granat-Biotit-Paragneis 346d = Schönberg mit den typischen rundlichen Plagioklas-Blasten
Die Grenze bildet ungefähr der Paragneis-Streifen am Nordrand des Nordracher Granits (Bereich Stollengrund bis Hochkopf). Dieser Paragneis-Streifen gehört selbst noch zur ersten Gruppe.
Die petrographische Beschreibung kann für alle Paragneis-Gruppen gemeinsam erfolgen (für spezielle Untersuchungen an den einzelnen Mineralen siehe Kap. 7). Quarz ist mit meist 35 - 50 Gew.-% der dominierende Bestandteil der Paragneise. Er ist oft reich an sekundären Fluid-Einschlussbahnen, löscht meist undulös aus und kommt in mylonitischen Paragneisen als rekristallisierter Plattenquarz vor. Wenige µm-dicke ?Sillimanitnadeln sind als Einschluß weit verbreitet. Die in den Quarzkörnern der Leptinite häufigen Rutilnadeln fehlen in den Paragneisen. Der Plagioklas-Gehalt schwankt in weiten Grenzen zwischen 5 und 50 %, meist aber zwischen 25 und 35 %. Nur in den wenigen metablastischen Paragneisen überwiegt der Plagioklas mit 50-60 % den Quarzgehalt. Der An-Gehalt der Plagioklase schwankt zwischen 31 und 37 Mol-%. Der Plagioklas kommt teilweise als Großkörner vor. In den mylonitischen Paragneisen handelt es sich dabei um randlich rekristallisierte Klasten eines prämylonitisch gröberkörnigen Gesteins, in anderen Paragneisen sind es rundlich bis hypidiomorph gesprosste Blasten, teilweise mit Biotit- und Granat-Einschlüssen. Antiperthite kommen gelegentlich sowohl als Großkörner als auch in der Matrix vor (Abb. 30). Ihre nahezu rechteckig begrenzten Kalifeldspat-Einschlüsse sind meist im Kern des Plagioklas-Wirts konzentriert. Sie sind nach Vergleich mit den Abbildungen von RIBBE (1983) Relikte eines ehemaligen Hypersolvus-Feldspats. Der Plagioklas ist oft serizitisiert. Der Kalifeldspat, ein mikroskopisch homogener Orthoklas, fehlt selten, schwankt in seinem Gehalt aber zwischen 0 und 25 %. In einigen Proben dominiert er über den Plagioklas. Wirrstrahlige Muskovit-Quarz-Aggregate in retromorphen Gesteinen gehen eventuell auf die Modell-Reaktion Kalifeldspat + Sillimanit + Wasser = Muskovit + Quarz zurück.Myrmekit ist verbreitet.
Abb. 27: Lagiger, stromatisch-migmatischer Paragneis 58 = Bärhag mit grauwacke/arkose-ähnlichem Chemismus
Abb. 28: Migmatischer Paragneis 57 = Bärhag. Die dunklen Lagen und Flecken sind pinitisierter Cordierit und untergeordnet Biotit
Abb. 29: Lagiger, metapelitischer, Kyanit führender Paragneis mit verfalteten leukokraten Lagen. Probe 547 = Schuckenhof
Biotit ist mit 7-40 %, meist um 15 %, das vorwiegende Fe-Mg-Mineral. Er ist vorwiegend braun, selten schwarzbraun oder rotbraun. In biotitarmen Gesteinen zeigt er ein offenes, in biotitreichen ein geschlossenes Teilgefüge, er ist schwach in Lagen oder Haufen angereichert und generell nur schwach in die Foliation eingeregelt. In wenigen Fällen wird er von Chlorit verdrängt. Cordierit fehlt nur selten in den Paragneisen. Meist macht er höchstens wenige Prozent des Gesteins aus, in sehr dunklen Metapeliten kann er aber auch so häufig wie Biotit werden (geschätzt je ca. 20 %). Der Cordierit ist das Produkt eines späten, statischen Metamorphose-Ereignisses unter niedrigem Druck (siehe Kap. 8.3) und wird soweit das hier beobachtet wurde nicht mehr deformiert. FLÖTTMANN (1988: 38) beobachtete dagegen eine Plättung von Cordierit in Faltenschenkeln.Cordierit kommt in den hier untersuchten Paragneisen in seltenen, idiomorphen Blasten vor, er tastet sich entlang von langgestreckten Sillimanit-Flasern und pseudomorphosiert diese. Er bildet Coronen um Granat und Sillimanit. In biotitreichen Gesteinen sprosst er aus biotitreichen Teilgefügen und verdrängt diese (Abb. 31). Biotit-, Ilmenit- und Sillimanit-Einschlüsse sind weit verbreitet. In einigen Al-reichen Metapeliten tritt auch brauner Spinell als Einschluss, teilweise noch zusammen mit Sillimanit und diesen pseudomorphosierend (parallel orientierte stengelige Körner), auf. Nur gelegentlich ist der Cordierit frisch erhalten. Er liegt vorwiegend als farbloser, gelber, orangefarbener oder bräunlicher, oft isotroper Pinit vor. Weitere retromorphe Umwandlung überführte den Pinit in filzig-sperrige Hellglimmer-Aggregate. Die meisten Paragneise führen Granat von wenigen Körnern je Dünnschliff bis zu 5 %. Nur in Einzelfällen hat er Kontakt zu Biotit, sonst wird er durch eine Cordierit-Corona von Biotit getrennt. In vielen Fällen zeugen sogar nur noch rundliche Pseudomorphosen aus Cordierit und Biotit, dazu teilweise Hellglimmer, Opakminerale und Granatrelikte, von ehemals vorhandenem Granat. Ein Teil der Granate, unterschiedlich auch im Dünnschliffbereich, führt unregelmäßig begrenzte Schwärme von Rutil-Einschlüssen. Nur in einigen Dünnschliffen sind noch wenige Kyanit-Körner erhalten. Die meisten Kyanite werden von einer Spinell-Plagioklas-Corona, einzelne von Cordierit ummantelt. Ein Großteil der ehemals vorhandenen Kyanite wurde durch Sillimanit pseudomorphosiert.
Sillimanit (bis zu 5 %) kommt als Pseudomorphose nach Kyanit (Abb. 31, sogenannter Dist-Sillimanit, STANKOVA 1982), als Fibrolith-Strähnen bis nadelige Schwärme und als feinste Nadeln in Quarz vor. Cordierit umsäumt oft die Dist-Sillimanite und Fibrolith-Strähnen, teilweise hat er sie nahezu vollständig verdrängt. Fibrolith ist in wenigen Schliffen aber auch noch zusätzlich eng mit Biotit verwachsen. Der Fibrolith ist oft serizitisiert. Andalusit tritt nur kontaktmetamorph in unmittelbarer Nähe des Nordracher Granits auf (zusammen mit Kyanit und Dist-Sillimanit, Abb. 5). Der Andalusit pseudomorphosiert Dist-Sillimanit vorwiegend in biotitfreien Quarz-Feldspat-Teilgefügen. Wenige Körnchen graugrüner Spinell und farbloser Diaspor (Abb. 32, umgewandelter Korund) wachsen gelegentlich auf den Korngrenzen von Kyanit, Dist-Sillimanit und Andalusit. Rutil erscheint als Einschluss-Schwarm in Granat und nur selten als 50 µm lange Säulchen in Quarz. Weitere Akzessorien sind Graphit, Ilmenit, Pyrit, Markasit, Apatit, Zirkon und Monazit.
Abb. 30: Antiperthit-Korn in Paragneis 16 = Hochkopf. Durch den hohen Gehalt an Kalifeldpat-Komponente (in Auslöschungsstellung) ähnelt es einem Mesoperthit, unterscheidet sich aber von diesem durch die hier rechteckige Form der Kalifeldspat-Entmischungskörper und der Tatsache, dass Wirt (hier Plagioklas) und Gast (hier Kalifeldspat) deutlich zu erkennen sind. Gekreuzte Nicols
Abb. 31: Paragneis 308 = Sorben, der das post-mylonitische statische Cordieritisierungs-Stadium in typischer Weise zeigt: breite Cordierit-Säume um Dist-Sillimanite (Pseudomorphose aus Sillimanit nach Kyanit) und Cordierit mit rundlichen Biotit-Einschlüssen. Parallel Nicols
Abb. 32: Spinell(SPI)-Diaspor(DIA)-Corona um Kyanit(KYA). Paragneis 346a = Schönberg. Parallele Nicols
Die chemische Zusammensetzung der Paragneise ist im Gegensatz zu der der Leptinite durch eine relativ große Variabilität gekennzeichnet (Tab. 2). Die Paragneise sind Al2O3-, TiO2-, FeO-, MgO- und H2O+-reicher und SiO2-ärmer als die Leptinite.
Es gibt keine Methode, mit deren Hilfe aus der chemischen Zusammensetzung eines Gesteins sicher auf dessen Namen geschlossen werden kann. Erst wenn man das Gestein mit einer nicht chemischen Methode einer der Hauptgesteinsgruppen (Sedimente, Vulkanite, Plutonite) zugeordnet hat, kann über nomenklatorische Bestimmungsdiagramme aus dem Chemismus das Gestein näher charakterisiert werden. Dieses Problem besteht, weil es Sedimente gibt, die die chemische Zusammensetzung von Magmatiten aufweisen. Viele Sedimente haben aber eine chemische Zusammensetzung, die unter magmatischen Gesteinen nicht auftritt. NIGGLI (zitiert in BURRI 1959: 77) entwickelte ein Diagramm, mit dem nur Sedimenten vorbehaltene, chemische Zusammensetzungen erkannt werden können. Sein al-fm-c-alk-Tetraeder stellt die molekularen Verhältnisse zwischen Al2O3, FeOtotal+MnO+MgO, CaO und Na2O+K2O dar. Der Tetraeder wird durch eine Reihe von Schnitten durch die al-alk-Kante graphisch dargestellt. Abb. 19 zeigt, dass alle Leptinite im Magmatit-Feld liegen (das aber ein Sediment als Edukt nicht ausschließt). Die meisten Analysen der untersuchten Paragneise fallen außerhalb des Magmatit-Feldes und belegen so das paragene Edukt. Die zwei Paragneis-Proben, die in das Magmatit-Feld (schliesst Sedimente nicht aus) fallen, stammen aus größeren Paragneis-Arealen. Sie deuten einen stofflichen Unterschied zwischen den beiden kartierbaren Einheiten, (1) Paragneisen in größeren Arealen und (2) Paragneisen in Wechsellagerung mit Leptiniten, an. Dieser könnte mit einer größeren Anzahl von Analysen näher charakterisiert werden. Die oben abgeleitete Herkunft der ganzen Gesteins-Assoziation als metamorphe, vulkano-sedimentäre Abfolge impliziert auch ein mögliches Auftreten von magmatisch-sedimentären Mischgesteinen, nämlich von sauren Tuffiten.
Alle untersuchten Paragneise sind relativ Al-reich und Ca-arm und führen deshalb nirgends Hornblende, quarzitische Paragneise fehlen. Als Edukte kommen deshalb neben den Tuffiten noch Tonsteine, Siltsteine, lithische Arenite, Arkosen und Grauwacken in Frage.
Tab. 2: Haupt- und Spurenelement- (RFA) und Modal-Analysen von Paragneisen (in Gew.-% bzw. ppm). Angaben zur Analytik befinden sich im Anhang
| Probe | 58 | 226 | 33a | 133 | 167a | 65 | 120 | 59 | 308 | 16 | 242 | 189 | 17 | 346a | 346b | 346d | 352a |
| SiO2 | 70,99 | 69,97 | 69,49 | 68,74 | 67,13 | 66,27 | 66,19 | 63,67 | 63,3 | 62,79 | 58,83 | 56,08 | 59,5 | 63 | 63,1 | 59,6 | 66,7 |
| TiO2 | 0,51 | 0,61 | 0,73 | 0,68 | 0,51 | 0,83 | 0,8 | 0,87 | 0,95 | 1,13 | 1,28 | 1,02 | 1,16 | 1,03 | 1,05 | 0,77 | 1,15 |
| Al2O3 | 13,93 | 14 | 13,84 | 15,49 | 16,08 | 15,43 | 15,83 | 16,72 | 17,11 | 16,89 | 18,17 | 20,11 | 18,6 | 18,1 | 17,5 | 18,1 | 16,6 |
| FeO | 3,6 | 3,29 | 4,84 | 4,51 | 3,89 | 4,94 | 4,93 | 5,84 | 6,08 | 6,8 | 7,89 | 7,83 | 7,75 | 6,6 | 6,77 | 6,34 | 6,95 |
| MnO | 0,07 | 0,03 | 0,12 | 0,06 | 0,08 | 0,06 | 0,05 | 0,08 | 0,05 | 0,06 | 0,07 | 0,11 | 0,07 | 0,06 | 0,55 | 0,08 | 0,05 |
| MgO | 1,31 | 1,69 | 2,44 | 1,95 | 1,95 | 2,52 | 2,32 | 2,75 | 2,42 | 2,63 | 3,27 | 3,99 | 3,48 | 2,36 | 2,89 | 3,79 | 2,55 |
| CaO | 0,8 | 1,18 | 2,38 | 0,2 | 2,56 | 0,39 | 0,34 | 0,66 | 0,74 | 1,08 | 0,88 | 0,25 | 0,44 | 0,57 | 0,62 | 3,91 | 0,52 |
| Na2O | 2,92 | 3,14 | 2,62 | 1,39 | 3,9 | 1,78 | 1,99 | 2,13 | 1,02 | 1,09 | 1,58 | 0,42 | 0,62 | 0,99 | 0,9 | 3,56 | 0,63 |
| K2O | 3,59 | 4,08 | 2,15 | 3,93 | 1,99 | 4,42 | 4,12 | 4,18 | 4,56 | 2,99 | 4,38 | 4,98 | 5,09 | 3,31 | 3,38 | 1,94 | 2,79 |
| P2O5 | 0,13 | 0,11 | 0,07 | 0,13 | 0,12 | 0,15 | 0,16 | 0,31 | 0,15 | 0,11 | 0,18 | 0,12 | 0,03 | 0,05 | 0,05 | 0,26 | 0,05 |
| H2O+ | 1,26 | 1,06 | 1,01 | 2,85 | 1,27 | 2,49 | 2,7 | 2,5 | 3,06 | 2,95 | 3,07 | 4,12 | - | - | - | - | - |
| Sum. | 99,11 | 99,16 | 99,69 | 99,93 | 99,48 | 99,28 | 99,43 | 99,71 | 99,44 | 98,52 | 99,6 | 99,03 | 96,7 | 96,2 | 96,8 | 98,4 | 98 |
| Zr | 195 | 132 | 155 | 190 | 175 | 241 | 212 | 211 | 207 | 249 | 298 | 188 | 231 | 243 | 259 | 96 | 277 |
| Rb | 144 | 108 | 92 | 128 | 79 | 163 | 158 | 142 | 147 | 76 | 138 | 176 | 113 | 69 | 66 | 60 | 49 |
| Sr | 106 | 98 | 139 | 32 | 235 | 56 | 59 | 60 | 154 | 117 | 153 | 50 | 147 | 102 | 91 | 196 | 79 |
| Y | 41 | 17 | 27 | 45 | 26 | 45 | 46 | 52 | 44 | 47 | 60 | 49 | 46 | 46 | 40 | 28 | 46 |
| Cu | <15 | <15 | 76 | <15 | <15 | 36 | 28 | <15 | 10 | 55 | 16 | 21 | 9 | 57 | 54 | 21 | 44 |
| Zn | 73 | 132 | 93 | 68 | 64 | 98 | 62 | 106 | 193 | 249 | 285 | 132 | 143 | 82 | 142 | 131 | 100 |
| Cr | 45 | <10 | 76 | 67 | 26 | 75 | 84 | 92 | 91 | 129 | 109 | 101 | 137 | 115 | 112 | 61 | 133 |
| Ni | 20 | <10 | 36 | 31 | 16 | 38 | 29 | 44 | 37 | 65 | 68 | 50 | 64 | 56 | 45 | 23 | 18 |
| U | <5 | <5 | <5 | <5 | <5 | 5 | <5 | 5 | <5 | 5 | 6 | 8 | 6 | 6 | 5 | <5 | 5 |
| Th | <5 | 8 | 7 | 16 | <5 | 18 | 8 | 12 | 11 | 12 | 20 | 17 | 13 | 10 | 9 | 12 | 10 |
Modalbestand nach RDA (+ = im Dünnschliff vorhanden, aber unter der RDA-Nachweisgrenze von ca. 3 Gew.-%) |
|||||||||||||||||
| Quarz | 47 | 35 | 51 | 48 | 41 | 43 | 46 | 42 | 34 | 46 | 34 | 32 | 24 | 49 | 53 | 19 | 47 |
| Kalifeldsp. | 13 | 9 | - | - | - | + | + | - | 23 | - | - | - | 25 | 16 | - | - | 6 |
| Plagioklas | 32 | 47 | 35 | 11 | 49 | 18 | 15 | 25 | 21 | 25 | 10 | + | 5 | 4 | 4 | 62 | 4 |
| Biotit | 8 | 7 | 14 | 10 | 9 | 31 | 19 | 13 | 22 | 13 | 38 | 12 | 27 | 15 | 13 | 7 | 15 |
| Sillimanit | + | - | - | + | - | + | + | - | + | 6 | + | + | 6 | + | 3 | - | 12 |
| Granat | + | - | + | + | + | + | - | - | - | 5 | - | - | 3 | 6 | 14 | 11 | 16 |
| Cordierit | + | - | + | - | - | + | + | - | + | + | + | + | 13 | 10 | - | - | + |
| Graphit | - | - | + | + | - | + | + | - | + | + | - | - | + | + | - | + | + |
| Muskovit° | - | - | - | 26 | - | 9 | 20 | 20 | - | 7 | 18 | 43 | - | - | 7 | - | - |
| Chlorit° | - | - | - | 5 | 1 | - | - | - | - | - | - | 13 | - | - | 5 | - | - |
| ° sekundär | |||||||||||||||||
Um die Edukte der untersuchten Paragneise nun weiter bestimmen zu können wurde ein Datensatz von gut 500 Sediment-Analysen zusammengestellt. Er umfasst die Hauptelement-Analysen der folgenden Gesteine:
111 Arkosen und Feldspat-Sande aus DAVOINE (1968), PETTIJOHN (1963), KAMP et al. (1976),
135 Tongesteine (Tone, Schiefertone, Tonsteine, Tonschiefer) aus SHAW (1956), ROALDSET (1972), KAMP et al. (1976), CONDIE et al. (1970) und NIGGLI (1952),
7 Lithische Arenite aus PETTIJOHN (1963), 127 Grauwacken aus PETTIJOHN (1963), CHAB & PELC (1973), CONDIE (1967) und CONDIE et al. (1970) und
119 saure Tuffite (devonische Taunus-Porphyroide) aus KIRNBAUER (1986).
Zur Vergabe der Gesteinsnamen durch die jeweiligen Autoren ist zu bemerken:
Die Tongesteine sind wegen ihrer geringen Korngröße makroskopisch ohne größere Probleme anzusprechen. Die sauren Tuffite sind von KIRNBAUER (1986) ausgiebig mikroskopiert worden. Die Beteiligung rhyolithischer Aschen an ihrer Zusammensetzung ist durch Glasscherben und Feldspat-Einsprenglinge gesichert, ihr Anteil aber nicht quantifiziert. Die Gesteine mit Sand-Korngröße (Arkosen, Grauwacken und lithische Arenite) sind von den jeweiligen Autoren zwar oft mikroskopiert, aber bei diesen Sedimenttypen ist die nomenklatorische Abgrenzung sehr variabel (vgl. HUCKENHOLZ 1963, FÜCHTBAUER 1988: 97ff).
Schwachpunkte des Datensatzes liegen insbesondere bei den sauren Tuffiten, die gleich alt sind und von nur einer regionalen Einheit stammen. Lithische Arenite sind nur schwach vertreten. Siltsteine fehlen, obwohl sie weit verbreitet sind, völlig. Sie sind bislang kaum chemisch charakterisiert. Sie sollten im wesentlichen quarzreicher als Tonsteine sein. Die nomenklatorischen Schwierigkeiten, insbesondere in der Unterscheidung zwischen Arkose und Grauwacke, müssen, mangels besserer Analysen, zur Zeit hingenommen und bei der Wertung von Ergebnissen entsprechend berücksichtigt werden.
Um das Edukt einer einzelnen Paragneis-Analyse zu bestimmen, wurde nun nach einer möglichst ähnlichen Analyse in dem Sediment-Datensatz gesucht.
Jede Paragneis-Analyse wurde mit jeder Sediment-Analyse verglichen. Als Maß für die Ähnlichkeit wurde der Absolutwert der Differenz zwischen allen Oxiden summiert. Um den Einfluss der Hauptkomponenten SiO2 und Al2O3 nicht zu groß werden zu lassen, andererseits aber auch das Gewicht von Hauptkomponenten beizubehalten, wurde der Absolutwert der Differenz von SiO2 bzw. Al2O3 noch durch 4 bzw. 2 geteilt. Dieses einfache Ähnlichkeitsmaß erhebt nicht den Anspruch, statistisch anspruchsvoll zu sein, erfüllt aber seinen Zweck, insbesondere in Hinblick auf den, im Vergleich zu den verschiedenen Sedimentationsräumen der Erde, unzulänglichen Vergleichs-Datensatz. Es sind eine große Zahl anderer Ähnlichkeitsmaße bekannt und denkbar, ihre sedimentologische Signifikanz ist aber nicht untersucht.
Durch die Suche nach möglichst ähnlichen Sediment-Analysen können auch ungewöhnliche Zusammensetzungen, die weit vom Mittelwert entfernt liegen, für den Vergleich mit herangezogen werden. In Zweifelsfällen kann auf die Bestimmungsdiagramme mit einzelnen Oxiden zurückgegriffen werden.
Das Ergebnis, hier die zehn ähnlichsten Sediment-Analysen für jeden Paragneis, muss nun geologisch interpretiert werden. Hierzu sind Kenntnisse über Sedimentations-Räume und Sediment-Assoziationen erforderlich. Für den Raum Nordrach-Gengenbach ist im vorhergehenden Kapitel aus den Leptinit-Analysen eine vulkano-sedimentäre Abfolge hergeleitet worden. Die Paragneis-Edukte sollten mit diesem Sedimentions-Raum kompatibel sein.
Die Ähnlichkeits-Vergleiche ergaben drei Gruppen mit unterschiedlichen zehn ähnlichsten Sedimenten:
(1) Die erste Gruppe ergab nur Tongesteine als zehn ähnlichste Sedimente (Proben 16 = Hochkopf, 189 = Hochkopfreute, 242 = Pfaffenbacher Eck, 308 = Sorben). Probe 59 = Bärhag ergab zwei Tongesteine als die beiden ähnlichsten, danach folgen aber auch Grauwacken und eine Arkose.
(2) In der zweiten Gruppe erscheinen gleichgewichtig Arkosen und Grauwacken unter den ersten zehn ähnlichsten Sedimenten (Proben 33a = Hasenberg, 58 = Bärhag, 167a = Rautschhof, 226 = Hochkopfreute).
(3) In der dritten Gruppe erscheinen Grauwacken, Tongesteine und Tuffite nebeneinander. Bei den Proben 65 = Bärhag und 120 = Mühlberg dominieren dabei Grauwacken und Tongesteine, bei Probe 133 = Wippersbächle dominieren Tuffite.
Als weitere Entscheidungshilfe wurde nun noch nach einer Diskriminierungs-Funktion (DAVIS 1973: 442ff) zwischen zwei Sediment-Typen gesucht. Nachdem zuerst mit allen zehn Oxiden des obigen Sediment-Datensatzes die Diskriminierungs-Funktion ermittelt wurde, ergab sich, daß nur jeweils drei Oxide den überwiegenden Unterschied zwischen zwei Sediment-Typen bedingen (alle Oxide in Gew.-%). Die folgenden Diskrimierungs-Funktionen wurden ermittelt:
(1) Unterschied zwischen Tongesteinen und Grauwacken:
Wenn der Ausdruck - 0,34SiO2 - 3,6Na2O + 2,1K2O größer als -23,8 ist, handelt es sich um ein Tongestein, wenn er kleiner ist, handelt es sich um eine Grauwacke. 4 von 135 Tongesteinen und 5 von 127 Grauwacken des obigen Datensatzes werden durch diese Diskriminierungs-Funktion falsch zugeordnet.
(2) Unterschied zwischen Arkosen und Grauwacken:
Wenn der Ausdruck - 0,76FeOtotal + 0,76CaO + 0,9K2O größer als 0,775 ist, handelt es sich um eine Arkose, wenn er kleiner ist, handelt es sich um eine Grauwacke. 24 von 102 Arkosen und 12 von 127 Grauwacken des obigen Datensatzes werden durch diese Diskriminierungs-Funktion falsch zugeordnet. Dies zeigt, dass mit Hilfe der Hauptelemente Arkosen und Grauwacken nur schlecht unterschieden werden können.
(3) Unterschied zwischen sauren Tuffiten und Tongesteinen:
Wenn der Ausdruck 0,66SiO2 - 7,5TiO2 - 0,34MgO größer als 38 ist, handelt es sich um einen sauren Tuffit, wenn er kleiner ist, handelt es sich um ein Tongestein. 2 von 119 sauren Tuffiten und 3 von 135 Tongesteinen des obigen Datensatzes werden durch diese Diskriminierungs-Funktion falsch zugeordnet.
(4) Unterschied zwischen sauren Tuffiten und Grauwacken:
Wenn der Ausdruck 0,76SiO2 - 3,8Na2O + 5,0K2O größer als 58,7 ist, handelt es sich um einen sauren Tuffit, wenn er kleiner ist, handelt es sich um eine Grauwacke. 5 von 119 sauren Tuffiten und eine von 127 Grauwacken des obigen Datensatzes werden durch diese Diskriminierungs-Funktion falsch zugeordnet.
Mit diesen Diskriminierungs-Funktionen konnte die Probe 59 = Bärhag der ersten Gruppe den Tongesteinen zu geordnet werden. Die zweite Gruppe mit gleichwertig vertretenen Arkosen und Grauwacken kann auch nicht durch die Diskriminierungs-Funktion deutlich einem von beiden Edukten zugewiesen werden: Probe 33a = Hasenberg ähnelt am ehesten einer Grauwacke, Probe 167a = Rautschhof liegt genau auf der Diskriminierungs-Grenze und die Proben 58 = Bärhag und 226 = Hochkopfreute ähneln am ehesten Arkosen. Auch hier bestätigt sich, dass Arkosen und Grauwacken nach ihren Hauptelement-Chemismus nicht deutlich unterschieden werden können. Die oben erwähnten nomenklatorischen Probleme (vgl. HUCKENHOLZ 1963: 182) könnten hierfür mitverantwortlich sein. In der dritten Gruppe mit ähnlichen Tongesteins-, Grauwacken- und Tuffit-Analysen konnten die Proben 65 = Bärhag und 120 = Mühlberg den Tongesteinen und Probe 133 = Wippersbächle den sauren Tuffiten zu geordnet werden.
Bei den Paragneis-Proben 16, 189, 242, 308, 59, 65 und 120 handelt es sich wahrscheinlich um metamorphe Tongesteine. Bei den Paragneis-Proben 33a, 58, 167a, 226 kann nach dem Hauptelement-Chemismus nicht deutlich zwischen Arkosen und Grauwacken unterschieden werden. Probe 133 kann am ehesten mit einem sauren Tuffit verglichen werden.
Die Spurenelement-Gehalte der Paragneise sind verglichen mit den Daten in SCHULZ-DOBRICK & WEDEPOHL (1983: Tab. 7), mit Ausnahme der erhöhten Zn-Gehalte der Proben 16 = Hochkopf und 242 = Pfaffenbacher Eck, durchschnittlich.
Das einzige Amphibolit-Vorkommen im Arbeitsgebiet liegt 100 m SW der Höhe 489,4 m auf dem Grat am Schwandeck. Dort finden sich m-große Blöcke. Kleinere Stücke schottern ins Haigerach-Tal hinunter. Das grünlich schwarze Gestein ist feinkörnig (um 300 µm), schwach foliiert und führt gelegentlich leukokrate Quarz-Feldspat-Lagen. Unter dem Mikroskop zeigt sich eine gleichkörnige Korngrößenverteilung mit einem granoblastischen Plagioklas-Teilgefüge und schwach eingeregelten Amphibolen und Biotit.
Abb. 33: Faseriges Cummingtonit-Aggregat (CUM), Plagioklas und braune Hornblende (HBL) mit großem Zirkon-Einschluss im Amphibolit 446 = Schwandeck. Parallele Nicols
Braune Hornblende (Ferro-tschermakitische Hornblende, Mikrosonden-Analyse in Tab. 3) ist der dominierende Amphibol, daneben tritt Cummingtonit (Abb. 33, Tab. 3) in faserigen Aggregaten auf. Diese sind gelegentlich idiomorph umgrenzt; es könnte sich um dabei um Pseudomorphosen nach Orthopyroxen handeln. Dieser vermutete Orthopyroxen verdrängte die braune Hornblende und Biotit. Der braune Biotit ist mit 8 % relativ häufig. Der Plagioklas (An um 40 %) ist zoniert und zeigt teilweise antipertische Entmischung. Granat (Almandin 57 Mol-%, Pyrop 16 %, Grossular 26 %, Spessartin 2 %, Tab. 3) kommt nur als vereinzelte, reliktische Körner mit Plagioklas-Saum vor. Quarz kommt in wenigen Prozenten vor. Ilmenit bildet symplektit-ähnliche Einschlüsse in Hornblende. Die Gehalte an Apatit und Zirkon (idiomorphe Säulen) sind hoch. Die leukokraten Lagen sind recht grobkörnig und bestehen aus Quarz, Plagioklas (große Körner randlich rekristallisiert, teilweise antipertitisch), wenig Biotit. Ein 3 mm großer Titanit wird randlich von einem symplektit-ähnlichen Ilmenit verdrängt. Pyrrhotin und Chalcopyrit treten akzessorisch auf. Bei der makroskopischen Betrachtung des Dünnschliffs fallen im Amphibolit helle, 5 mm große, rundliche Flecken aus Plagioklas und Hornblende auf. Es handelt sich wahrscheinlich um Granat-Pseudomorphosen.
Die vielen kleinen Amphibolit-Körper in der Zentralen Schwarzwälder Gneismasse spielen für die Rekonstruktion der Metamorphose-Geschichte eine herausragende Rolle, da sie ein frühes Hochdruck-Stadium der Gesteine belegen (KLEIN & WIMMENAUER 1984). Die ehemaligen Eklogite werden im Laufe der weiteren Entwicklung amphibolitfaziell überprägt.
Auch bei dem hier vorliegenden Amphibolit handelt es sich wahrscheinlich um einen ehemaligen Eklogit. Die reliktischen Granat-Körnchen mit Plagioklas-Saum und die 5 mm großen Granat-Pseudomorphosen sind dafür die letzten Kennzeichen bei diesem schon stark amphibolitfaziell überprägten Gestein. Die vermutlichen Orthopyroxen-Pseudomorphosen in Paragenese mit Plagioklas deuten auf ein mitteldruck-granulitfazielles Zwischenstadium (vgl. Kap. 9.1).
Der Chemismus von basischen Vulkaniten hängt von ihrer geotektonischen Stellung ab. Über immobile Spurenelemente und entsprechende Diskriminierungs-Diagramme können Metabasite mit aktuellen geotektonischen Positionen verglichen werden. Nach ECKHART, BURGATH & MOHR (zitiert in KTB 1986: 105) zeigten die Amphibolite des mittleren Schwarzwaldes unabhängig von ihrem petrographischen Charakter überwiegend einen Inselbogen-Tholeiit-Chemismus mit gelegentlicher Tendenz zu Kalkalkali-Basalt.
Der hier untersuchte Amphibolit ist quarz- und hypersthen-normativ und alkali-und phosphorreich (Tab. 3). Im CaO-MgO-FeOt-Dreieck nach WALKER et al. (1960 zitiert in SCHÜSSLER 1987) fällt er in das Feld der Ortho-Amphibolite. Sowohl die Magmensuite (Tholeiit, Alkalibasalt oder Kalkalkalibasalt) als auch die geotektonische Position (Intraplatte, ozeanisches Rift, kontinentales Rift oder Subduktionszone) konnten nicht näher eingrenzt werden, da sich nach gut einem Dutzend von entsprechenden Diskriminierungs-Diagrammen mit Haupt- und wenig mobilen Spurenelementen keine einheitliche Zuordnung treffen ließ. Da nur eine Probe vorliegt, soll dies nicht weiter interpretiert werden.
Tab. 3: Haupt- und Spurenelemente und Modalbestand des Amphibolits 446a = Schwandeck und Mikrosonden-Analysen seiner Minerale (Gew.-% bzw. ppm, RFA- und RDA-Gesteins-Analysen an Pulver-Presstabletten).
| Gestein | Cumming. | Cumming. | Hornblende | Granat | Spurenelemente Gestein | ||
| SiO2 | 50,7 | 51,54 | 51,72 | 42,15 | 38,34 | Zr | 415 |
| TiO2 | 1,47 | 0,07 | 0,07 | 1,64 | 0,13 | Rb | 76 |
| Al2O3 | 16,7 | 0,72 | 0,68 | 10,96 | 21,36 | Sr | 229 |
| FeO | 9,21 | 32,28 | 31,71 | 22,21 | 26,19 | Y | 79 |
| MnO | 0,18 | 1,42 | 1,2 | 0,41 | 0,78 | Cu | 25 |
| MgO | 2,96 | 11,18 | 11,39 | 6,77 | 4,06 | Zn | 137 |
| CaO | 6 | 0,52 | 0,61 | 10,1 | 9,27 | Cr | 3 |
| Na2O | 3,38 | 0,07 | 0,1 | 1,1 | 0,01 | Ni | 5 |
| K2O | 2,24 | 0,01 | 0 | 1,09 | 0 | Th | 8 |
| P2O5 | 0,82 | - | - | - | - | U | 5 |
| Sum. | 93,66 | 97,81 | 97,49 | 97,34 | 100,2 | ||
Modalbestand (Gew.-%): Plagioklas 49, Amphibol 25, Quarz 14, Biotit 8, Chlorit 4
Unterhalb des Steinbruchs Sauerstein tritt ein feinkörniger (um 300 µm), dunkler Gneis auf, der durch einen außergewöhnlichen Mineralbestand gekennzeichnet ist. Antiperthit, Plagioklas und Quarz sind die leukokraten Hauptgemengteile. Frischer Biotit und gelbliche Chlorit(Pennin)-Pseudomorphosen vermutlich nach Hornblende und einige Prozent Dolomit sind gleichmäßig im Gestein verteilt. Akzessorisch kommen reichlich Apatit, Monazit, Zirkon und Leukoxen vor.
Der An-Gehalt des Plagioklases schwankt nach Mikrosonden-Analysen zwischen 27 und 33 Mol-%.
Tab. 4: Haupt- und Spurenelemente und Modalbestand des alterierten Hornblende-Gneises 423 = Sauerstein und Mikrosonden-Analysen seiner Minerale (Gew.-% bzw. ppm, RFA- und RDA-Gesteins-Analysen an Pulver-Presstabletten).
| Gestein | Dolomit | Dolomit | Chlorit | Chlorit | Biotit | Spurenelemente Gestein | ||
| SiO2 | 57,9 | 0,33 | 0,74 | 34,5 | 34,15 | 35,92 | Zr | 360 |
| TiO2 | 0,99 | 0,04 | 0,04 | 0,02 | 0 | 3,87 | Rb | 92 |
| Al2O3 | 17,2 | 0,1 | 0,36 | 14,73 | 14,28 | 13,56 | Sr | 160 |
| FeO | 5,32 | 2,8 | 3,4 | 10,76 | 12,76 | 22,01 | Y | 44 |
| MnO | 0,06 | 0,73 | 1,02 | 0,06 | 0,09 | 0,25 | Cu | 6 |
| MgO | 4,15 | 20,99 | 21,59 | 25,4 | 24,34 | 9,64 | Zn | 83 |
| CaO | 4,42 | 30,42 | 30,81 | 0,15 | 0,16 | 0,01 | Cr | 34 |
| Na2O | 3,24 | 0,01 | 0,01 | 0,04 | 0,03 | 0,04 | Ni | 6 |
| K2O | 2,71 | 0,03 | 0,02 | 0,04 | 0,03 | 8,79 | Th | 16 |
| P2O5 | 0,52 | - | - | - | - | - | U | 1 |
| Sum. | 96,51 | 55,45 | 57,99 | 85,7 | 85,84 | 94,09 | ||
Modalbestand (Gew.-%): Plagioklas 56, Quarz 27, Biotit 16
Zur Startseite Zum Inhaltsverzeichnis Zur vorhergehenden Seite Zur nächsten Seite