Zur Startseite   Zum Inhaltsverzeichnis    Zur vorhergehenden Seite     Zur nächsten Seite  


Tafel 2


Fig. 1

R 1460 H 7230 300 m SW Alte Burg
Top des mittleren Teufelsdell-Porphyroids
ohne Analysator

Siltiges Gesteinsbruchstück (dunkel) in einer Matrix aus reichlich vitroklastischen Strukturen (unter +N zeigen sie Salz-und-Pfeffer-Struktur), wenigen eingestreuten Quarzkörnern und teilweise erzhaltigen Löchern.

Bildbreite 3000 µm

Gesteinsbruchstück mit vitroklastischen Strukturen


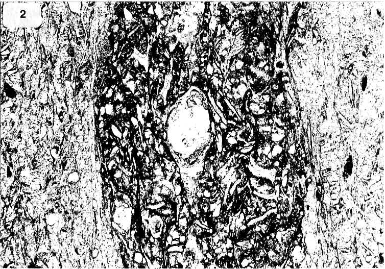
Fig. 2

R 1538 H 7342 150 m SW Rabenlei
Top des tiefsten Teufelsdell-Porphyroids
ohne Analysator

Ausschnitt eines Gesteinsbruchstücks (dunkel), das vorwiegend aus vitroklastischen Strukturen aufgebaut wird. In der Bildmitte eine Blasenfüllung aus sperrig verwachsenen Quarz- und Feldspatkristallen (nur unter +N zu erkennen). Nebengestein (hell) aus vitroklastischen Strukturen mit wenigen Quarzkörnern.

Bildbreite 3000 µm

Gesteinsbruchstück mit vitroklastsichen Strukturen


Fig. 3

Detail aus Abb. 7 (vgl. dort)

Subaquatische Rutschung

Nord <-->Süd

Bildbreite 85 cm

Subaquatische Rutschung


Fig. 4

Detail aus Abb. 7 (vgl. dort)

Vergente ball and pillow structures (Bildmitte) an der Basis eines plattigen Quarzitpakets über tonig-siltigem Sediment

Nord <-->Süd

Bildbreite 130 cm

ball and pillow structures


Zur Startseite   Zum Inhaltsverzeichnis    Zur vorhergehenden Seite     Zur nächsten Seite